Tlakový vzdušník ležatý - typ VLV

64761
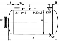
Tlakový vzdušník ležatý - typ VLV

Používá se pro přetlaky 6, 10 a 16 bar, s teplotou media do 100°c. Vzdušník je vybaven kontrolním průlezem pro přívod a odběr pracovní látky, pojistný ventil, tlakoměr, tlakový spínač a odkalení. Vzdušník je uložen na sedlech.

Profesionál - dodavatel

PRESCONT, spol. s r.o.
Chocerady

5

Dodavatel je v systému ePoptávka.cz registrován již 231 měsíců

Další dodavatelské nabídky